Система автоматического оповещения и музыкальной трансляции ALERTO ALVA system
Система антитеррористического оповещения
Система оповещения и управления эвакуацией – это комплекс оборудования, приспособлений и организационных мероприятий, направленный на своевременное информирование находящихся в здании людей о возникновении чрезвычайной ситуации и действиях, позволяющих провести эвакуацию в течение наиболее короткого срока и как можно более эффективно. В иное время системы СОУЭ способны решать дополнительные задачи по речевому оповещению, музыкальной трансляции и автоматическому информированию.
Сегодня мы хотим рассказать о системе автоматического оповещения ALVA system (ALERTO Voice Alarm system), разработанной Компанией АЛПРО и предназначенной для построения СОУЭ 3-5 типов, систем оповещения населения в случае чрезвычайных ситуаций, организации систем громкоговорящей связи, автоматического информирования на производстве, в образовательных, коммерческих и социальных учреждениях, а также для построения систем многоканальной музыкальной трансляции.
Особенности системы:
- СОУЭ 3 — 5 типа
- оповещение населения в случае чрезвычайных ситуаций
- громкоговорящая связь
- автоматическое информирование на производстве, в образовательных, социальных и коммерческих учреждениях
- многоканальная музыкальная трансляция
- разработана и производится в России
Alerto Voice Alarm System (ALVA system) многофункциональная, гибкая система с максимально простым составом оборудования из трех базовых компонентов:
- Контроллер ALV-C116 на 16 зон
- Трансляционный усилитель мощности ALV-PA500 на 500 Вт
- Микрофонная панель ALV-RM116

Функциональные возможности:
- 16 зон оповещения с возможностью масштабирования до 80 зон
- запись, хранение и воспроизведение тревожных сообщений при поступлении сигнала от пожарной сигнализации или других систем безопасности
- возможность оповещения по заданной программе в соответствии со сценариями эвакуации
- контроль целостности трансляционных линий методом измерения импеданса с программнонастраиваемой точностью до 5%
- приоритетный микрофон для ручного управления эвакуацией
- прием и воспроизведение сигналов от системы оповещения ГОЧС
- двухуровневая система ограничения доступа к функциям контроллера
- подключение 4-х проводных аттенюаторов с возможностью контроля целостности линий
- подключение 2-х удаленных микрофонных панелей для громкоговорящей связи
- программируемые входные и выходные «сухие» контакты и выходы реле
- контроль состояния основного и резервного источника питания
- встроенное зарядное устройство для аккумуляторных батарей резервного питания
- коммутация резервного источника питания на усилители мощности в случае неисправности основного источника
- интерфейс для сопряжения с внешними системами: пожарной сигнализацией, системами информирования пассажиров, системами диспетчеризации и т.п.
- встроенный программируемый недельный таймер
- подключение внешних источников музыкальной трансляции

Центральным элементом системы автоматического оповещения ALVA system является контроллер ALV-C116. Создать максимально функциональный контроллер, сделав состав системы предельно лаконичным – было одной из важных задач при разработке ALVA system. Он обеспечивает трансляцию сигналов, тревожных сообщений, команд диспетчера и музыкальных файлов по 16-ти зонам трансляции в соответствии с текущим режимом работы. Предусмотрено подключение к системе пожарной сигнализации, блоку сопряжения с системой ГОЧС. Контроллер выполняет коммутацию 100 В сигнала от усилителя мощности и распределяет его по трансляционным линиям. Для регулировки громкости не приоритетных сигналов непосредственно в зонах оповещения могут применяться аттенюаторы, отключаемые по сигналу контроллера. Настройка контроллера выполняется с помощью программного обеспечения при подключении ПК. Максимальная подключаемая нагрузка до 3кВт (6 усилителей ALV-PA500).

На передней панели контроллера располагаются:
- TFT-дисплей c сенсорным управлением для отображения информации о текущем состоянии системы, режимах работы, неисправностях. Просмотр журнала событий
- Группа индикаторов состояния
- Электронный замок для блокировки/разблокировки ручного управления контроллером
- Кнопка «ТРЕВОГА» для ручной активации тревожного оповещения (воспроизведение голосового файла в соответствии с настройками системы)
- Ручной микрофон для оповещения о непредвиденных ЧС либо корректирования процесса эвакуации. Набор зон по умолчанию программируется с помощью ПК, дополнительные зоны могут быть выбраны вручную
- Вход для подключения микрофона
- Регулятор громкости ручного микрофона
- Группа кнопок и индикаторов «Зона 1»... «Зона 16» для выбора зон вручную и отображения статуса зон оповещения
Управление контроллером ALV-C116 осуществляется с помощью сенсорного дисплея и имеет два уровня доступа: с ключом или без ключа.

- иконки, с помощью которых можно визуально оценить некоторые параметры функционирования, это:
- текущий уровень доступа к функциям контроллера (доступ ограничен / не ограничен)
- состояние звукового индикатора (звук включен / звук выключен)
- наличие неисправностей. В том случае, если неисправность возникла, а позже была устранена, например, кратковременное отключение основного питания, индикатор будет сигнализировать о неисправности до тех пор, пока пользователь не просмотрит все последние сообщения в журнале событий
- кнопка для перехода в главное меню (кнопка заблокирована, если доступ ограничен)
- информация о последнем событии

Для удобной навигации по разделам меню в верхней части экрана предусмотрена навигационная панель:

- кнопка для возврата к основному экрану из любого раздела
- кнопка возврата в основное меню
- кнопка возврата к предыдущему разделу меню
Подраздел «Диагностика» включает в себя:
- индикация состояния основных первичных и вторичных источников напряжения
- температура внутри корпуса контроллера
- кнопки тестирования и первичной установки состояния линий
- индикация текущего состояния линий управления (5 возможных состояний согласно п. 2.4 «Подключение контроллера к ППКП»)
- кнопки тестирования и первичной установки состояния трансляционных линий
- индикация текущего состояния линий (6 возможных состояний согласно п. 2.5 «Подключение трансляционных линий»)
Подраздел «Журнал событий» отражает:
- информацию о зарегистрированном событии (порядковый номер события, дата и время регистрации, наименование события, дополнительная информация при ее наличии)
- кнопки навигации по журналу событий ( к первому событию, к предыдущему событию, к следующему событию, к последнему событию)
Всего может быть зарегистрировано до 1000 событий, после чего новые сообщения перезаписывают старые в циклическом порядке.
Подраздел «Медиа» позволяет настроить:
- выбор источника фоновой низкоприоритетной трансляции:
- Нет. Трансляция не производится
- USB. Трансляция встроенным медиапроигрывателем аудиофайлов с USB Flash карты
- Line In. Трансляция аудиосигнала от внешнего источника, подключенного к линейному входу
Для режима USB – выбор порядка воспроизведения файлов, последовательно или случайным образом; индикацию номера воспроизводимого файла и их общего количества; навигационные кнопки для управления воспроизведением файлов.
Регулятор уровня громкости для режима фоновой музыкальной трансляции. Установленный уровень не влияет на громкость приоритетных режимов трансляции.
Система приоритетов, действующая в ALVA system
- Ручной микрофон (PTT)
- Сценарий оповещения (ручной запуск)
- Микрофонная панель в приоритетном режиме
- Автоматическое оповещение о пожаре
- Сигнал оповещения ГОЧС
- Микрофонная панель в обычном режиме
- Воспроизведение файлов по расписанию
- Линейный вход / медиаплеер
Программирование сценариев оповещения.
Сценарий оповещения- это последовательность звучания голосовых сообщений в различных зонах. Возможность создания таких сценариев (маршрутизация) - обязательное требование к СОУЭ 5 типа. Но и на более простых объектах возможность раздельного оповещения персонала, службы охраны, посетителей или детей бывает очень востребована.
Интерфейс ALVAsystem позволяет запрограммировать 16 автоматических и 6 включаемых вручную сценариев эвакуации. Тревожные сообщения записываются во внутреннюю память контроллера ALV-C116, а последовательность их воспроизведения в разных зонах программируется с ПК. ПО предоставляется бесплатно.

Работа с недельным таймером.
Возможность настроить проигрывание аудиофайлов в определенное время в течение недели- важное преимущество ALVAsystem. Это может быть автоматическое информирование в течение дня на производстве, проигрывание рекламы в торговом комплексе, музыкальные звонки в школе.
Аудиофайлы для недельного таймера записываются на USB носитель (флешку), а время и день их звучания программируется с ПК.
Недельный таймер имеет следующий приоритет над фоновой музыкальной трансляцией.

Функции контроля работоспособности: контроль линий пожарной сигнализации
Контроль линий пожарной сигнализации – обязательное требование к СОУЭ. Однако, далеко не все производители реализуют это задачу. Ниже показана схема контроля линий ОПС на ALVA system. Состояние линии отображается на дисплее контроллера ALV-C116. Кроме того, сделана гальваническая развязка для дополнительной защиты системы.

Организация резервного питания
К контроллеру системы оповещения ALV-C116 подключаются основной и резервный источник питания. В качестве основного источника используется сеть 220 В 50 Гц. Резервное питание осуществляется от аккумуляторных батарей напряжением 24 В. Устройство обеспечивает контроль электропитания всей системы. В случае аварии основного источника 220 В 50 Гц контроллер автоматически и без задержки переключится на аккумуляторные батареи напряжением 24 В. В режиме оповещения при отсутствии напряжения 220 В. на трансляционные усилители мощности подаётся напряжение 24 В. от АКБ. В этом случае ток потребления усилителями мощности может быть не более 170А. Поэтому суммарная потребляемая мощность трансляционными усилителями не должна превышать 4 кВт. Для поддержания аккумуляторных батарей в заряженном состоянии в состав контроллера системы оповещения ALV-C116 входит автоматическое зарядное устройство. При уменьшении напряжения питания на батареях ниже порогового значения (25 В) начинается заряд аккумуляторных батарей током до 5 А. Устройство заряжает АКБ до напряжения 27,6 В, после чего автоматически отключается. В случае отсутствия основного питания, питание системы оповещения от АКБ будет осуществляться до тех пор, пока напряжение на АКБ не достигнет значения 20 В. При таком напряжении аккумуляторная батарея считается полностью разряженной и контроллер системы оповещения ALV-C116 отключает трансляционные усилители мощности от резервного источника питания во избежание порчи АКБ в следствии глубокого разряда. При появлении напряжения основного источника питания сети 220 В 50 Гц начинается зарядка АКБ током 5А до достижения напряжения на батарее 27,6 В. Предусмотренное резервное питание обеспечивает время на эвакуацию в размере 1 часа.

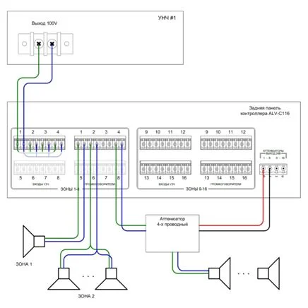
Подключение трансляционных линий
Для регулирования уровня громкости трансляции музыкальных программ в ALVA system предусмотрена возможность подключения 4-х проводных аттенюаторов с принудительным включением в случае тревожного оповещения.

Подключение контроллера к блоку запуска системы оповещения ГОЧС
Контроллер ALV-C116 имеет 8 универсальных входов, реагирующих на замыкание «сухих» контактов (выходов реле) либо выходов с открытым коллектором различных внешних устройств. Часть контактов (входы № 1, 2, 3) по умолчанию используется для сопряжения СОУЭ с блоком централизованного запуска (БЦЗ) системы оповещения ГОЧС. Схема сопряжения представлена ниже.

Ручной запуск оповещения
Помимо автоматического запуска сценариев оповещения в ALVA system предусмотрены 6 сценариев ручного запуска, с более высоким приоритетом, чем автоматика. При нажатии кнопки «тревога», на дисплее отображаются 6 сенсорных кнопок сценариев.

Варианты ручного оповещения:
- Микрофон-тангента
- Микрофонная панель в обычном/приоритетном режиме
- Кнопка «ТРЕВОГА»
Дополнительные возможности: музыкальная трансляция, трансляция по расписанию
Зачастую заказчик, в целях экономии, устанавливает минимальный комплект оборудования, рассчитанный только на обеспечение регламентированных требований охранно-пожарной сигнализации и управления эвакуацией. Далее, в ходе эксплуатации здания, могут возникать дополнительные задачи: фоновая музыка в зоне фуд-корта, включение рекламы по расписанию, музыкальные звонки в школе и т.д., под которые приходится ставить дополнительные системы. При этом может возникнуть конфликт, когда при работе второй системы сигналы от СОУЭ люди могут просто не услышать. Если же все задачи по оповещению решает одна система, то она правильно расставит приоритеты, при необходимости заглушит менее приоритетные сигналы более важными. Контроллер ALV-C116 имеет встроенный медиа-проигрыватель и недельный таймер, транслирующий звуковые файлы по расписанию.

Приобрести оборудование и заказать монтаж в компании "Защитные технологии", вы можете любым удобным для вас способом:
т.55-15-98
Viber:+79018651598
г. Ижевск, ул. Чугуевского, д. 9, офис 17


